
Stereo power amplifier 10+10W into 8 ohms based on the integrated PAM8610, suitable for systems that require high efficiency and little heat to be dissipated.
By now, the miniaturization of electronic circuits is advancing unstoppably. It involves even those devices of traditional electronics such as audio amplifiers, which do not have a strict need for it, except when they must equip music players or tablets and portable video game consoles that require a few watts to play music of good quality at a reasonable sound level, without taking up too much space or consuming batteries quickly.
In this perspective are recently introduced integrated amplifiers that operate in class D. This particular model is based on the conversion of analog audio in PWM pulses whose width varies in analogy with the amplitude of the signal, which are then amplified in power by transistors (almost always MOSFET) operating in ON/OFF mode and therefore capable of very high efficiency to be, finally, filtered by second-order LC cells formed by inductors and capacitors, whose values and whose size (reflexively) are the more limited, the higher the efficiency. Capable of very high efficiencies to be, finally, filtered by second-order LC cells formed by inductors and capacitors, whose values, and sizes (reflex) are the more contained, the higher the frequency of the PWM.
The choice of using a “class D” is ideal when it comes to limiting power consumption since the amplifiers operating in this class have efficiencies that can exceed 90%, compared to 55% typical of those in class AB; for example, if we take as reference the 10 watts that the amplifier described here develops for each channel, with a class, AB will result in a consumption of about 18W. In contrast, the total power required in class D is just over 11 watts.
Integrated Class-D amplifiers for small power ratings are ideal for battery-powered audio devices since, in these specific applications, the more energy that can be saved, the better. Among these ICs is the PAM8610, which can be considered the “big brother” of the better-known PAM8403 that we used in various projects in the past.
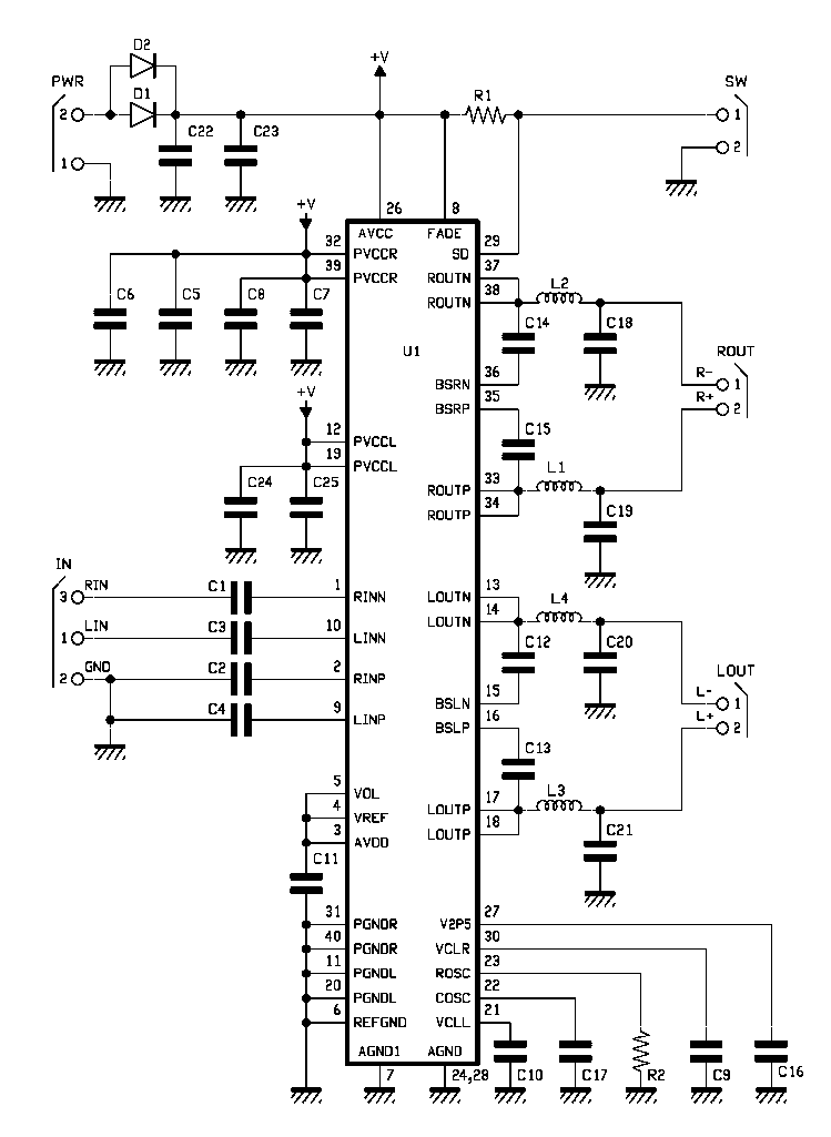
Electrical diagram
The circuit that you will find in these pages has been realized following the manufacturer’s recommendations and exploits the Shutdown function implemented in the chip, which allows you to turn on and off the amplifier with a logic signal or a digital switch through a pin 29; we will explain shortly.
Now let’s have a general look at the wiring diagram with the PAM8610TR at the center, a complete two-channel class-D amplifier (manufactured by Diodes, www.diodes.com) with unbalanced inputs and bridged outputs, to obtain high output power with low supply voltage values. The output power with a 13V supply is 10W per channel into 8-ohm speakers, and the amplifier stages feature low harmonic distortion.
The double LC filter placed at the bridge output of class D power amplifiers is typically used to linearize the output signal, which is composed of rectangular pulses and is therefore broken, a condition -this- that creates harmonic distortion; inserting an LC filter tuned for the frequency of PWM, the signal is linearized, but there is the problem of phase rotation caused by the filter itself, which can be adequately compensated or placed outside the passband.
The filter can be minimized, i.e., realized with components of reduced value, thanks to the high frequency of the PWM signal (typically 250 kHz) concerning the audio band, which allows for minimizing the harmonic distortion due to pauses between the pulses of the PWM signal.

The integrated amplifier contains a stereo preamplifier stage (with two op-amps per channel) and a dual PWM modulator. Each section consists of a comparator whose inputs the pre-amplified BF signal and a triangular wave generated by the component’s internal oscillator are compared. Each comparator has a differential output that drives a MOSFET power amplifier configured as a bridge, the outputs of which are applied to a pair of pins “lifted” from the ground; the transistors of the power amplifier do not require polarization because they operate driven by the pulses produced by the comparator.
The input preamplifier provides gain control through a 32-step digital volume adjustment block, allowing attenuation between -75 dB (virtually muted outputs) and 32 dB (maximum volume) by acting on the overall gain. In our case, the digital control is not used, and the stereo amplifier works at a fixed gain, determined by the potential that the AVDD output (pin 3) of the internal LDO regulator applies to 5 (VOL) and to VREF (pin 4). More precisely, the amplifier, being AVDD equal to about 3V, works with a gain of 32 dB, therefore having to provide maximum power on 8 ohms and an RMS voltage of about 8.8 V and considering that the amplifier is formed by two bridge stages that therefore must provide half of that voltage, 32 dB of gain implies the achievement of maximum power with about 200 mV at each input.
The circuitry inside the PAM8610 is completed by a logic that allows both the shutdown controlled by the /SHDN pin (the IC remains powered but absorbs very little because the power stage, the oscillator, and the PWM modulator are off) and the silencing of the outputs (it is obtained with the /FADE pin through a decoder that lowers the gain of the input stages until the signal is attenuated).
Given the low power, it must dissipate, the integrated circuit does not require any heat sink because it is a QFN with a metal part under the body (Fig. 1) to perform dissipation via the PCB tracks below. Even if it does overheat, the PAM8610 has internal thermal protection that prevents it from exceeding dangerous temperatures.
Well, after an overview of the characteristics of the integrated amplifier, let’s see how it is used in our stereo amplifier: the configuration is not very different from the application scheme recommended by the manufacturer in the datasheet; in fact, we find the inputs L and R coupled by two capacitors each since natively they are balanced, but we use them in the unbalanced configuration. Each capacitor is used to separate the DC component that biases the input preamplifier from the input contacts of the circuit; C1 and C3 carry the signal from the RIN and LIN input contacts to the integrated circuit, respectively, while C2 and C4 ground RINP and RINN.
The gain of the input preamplifiers is decided, in addition to the volume control block, by an internal resistor inside the integrated amplifier, placed in series to pins 1, 10, 2,9.
The output stages are bridged for each channel, so they each have two outputs, each of which has a bootstrap capacitor (C12 between LOUTN and BSLN, C13 between LOUTP and BSLP, C14 between ROUTN and BSRN, and finally, C15 connected between ROUTP and BSRP) that leads back to the output MOSFET driver stage.
For each of the outputs of the bridge of each of the two channels, there is an LC filter that reconverts the PWM pulses in the audio signal, bringing to the contacts of ROUT and LOUT signals in the counter phase with which the speaker of each channel is driven; to be exact, for ROUT we have the negative output on R- and the positive on R+, while for LOUT the positive output is L+ and the negative one is L-.
Note that each output of the bridged stages is connected to two contacts to facilitate current distribution and avoid overheating the individual pads.
Let’s continue with the analysis of the wiring diagram and go to the internal oscillator that generates the triangular waveform that will be compared with the audio signal to generate the PWM: its frequency is determined by the capacitor C17 (connected to the Cosc contact) and the resistor R2 (connected between the Rosc contact and ground).

Fig. 1
At rest, R1 keeps the SD contact at a high level allowing regular operation; while joining points 1 and 2 of the SW connector, the amplifier is gradually turned off: the volume is quickly lowered, fading the music, and then all blocks are turned off, except for the control unit that is responsible, precisely, to the Shutdown command.
On the other hand, contact 8 has the FADE function, which consists of the gradual lowering of the volume to the minimum if the same contact is placed on the ground or in the gradual transition to the required volume during power on; in our circuit, we do not use this option and therefore pin 8 is fixed at a high level.
We complete the circuit analysis with the power supply, which is applied to the PWR points and which, through the pair of diodes D1-D2, placed in parallel to share the current and limit, with the same current flowing through them, the voltage drop (in the real diode the direct drop is affected, albeit to a limited extent, by the direct current, so that of two in parallel is less than the drop of a diode that must withstand the entire current of the circuit), reaches the filter capacitors C22, C23, C5, and C6. From the cathodes of D1 and D2 (components mounted to protect the amplifier from polarity inversion) starts the positive power supply line, leading to pins 26 (AVCC, i.e., input stage power supply), 12 and 19 (power stage power supply for the left channel, PVCCL pin pair) and 32/39 (PVCCR, power supply pin pair for the right power amp).
The distinction of the pins of the left and right output stages and the input section has been deliberately made, as well as the distribution of the masses, to avoid the voltage drop caused by the pulsation of the MOSFETs of the power stage driven by the PWM modulator pulses and due to the resistance of the tracks and pins, however minimal, can enter the input preamplifiers causing instability and disturbances.
To keep the power supply lines separated, we designed the printed circuit in such a way as to start from the contacts of the filter capacitors C5, C6, C22, C23, i.e., from the cathodes of the diodes and the ground of the PWR (contact 1) separate tracks for the two power supplies, filtering locally, i.e., close to the pins just described, the voltages using ceramic capacitors (electrolytes are not needed because the frequencies involved are high and therefore ceramic capacitors of a few hundred nano-farads are sufficient). In fact, for PVCCR, we have C7 and C8, and for PVCCL, we have capacitors C24 and C25.

The outputs of the two channels (L- and L+ for the left and R- and R+ for the right) are connected directly to the speakers: no decoupling capacitor is needed because these outputs are bridged and work in on/off mode, so at rest, they have no potential; the only difference from standard outputs (also called single-ended) is that they are not referenced to ground, so the speakers are connected between the output pins and not to ground.
Such a connection is possible. However, the output power would become practically a quarter of that stated by the manufacturer, i.e., 2.5W per channel.
Also, you cannot and should not merge the negatives of the speakers of the two channels because internally, they are separate (there is no common); if you did connect the negatives, the ICs could be damaged.
Component List:
R1: 10 kohm (0603)
R2:120 kohm (0603)
C1, C2, C3, C4, C7, C8 : 1 µF ceramic (0603)
C9, C10, C11, C12, C13: 1 µF ceramic (0603)
C14, C15, C16, C18, C19, C20, C21, C25: 1 µF ceramic (0603)
C23: 100 nF ceramic (0603)
C6, C8, C24, C22: 10 µF ceramic (0805)
C17: 220pF ceramic (0603)
L1, L2, L3, L4: Inductance 1 mH (0805)
U1: PAM8610TR
D1, D2: 1N4148W-7-F
Miscellaneous:
– Printed circuit board S1473 (26×31 mm)
From Openstore
Audio Stereo Amplifier Board Dual Channel – 2×10 watt
Your article on the PAM 8610 is excellent. I admire your high technical knowledge. But i have a need to obtain high audio quality frm PAM 8610 reproducing good base and high frequencies n separate speakers . Is this possible? and what speakers are suitable. Several authors have shown PAM 8610 connected to
bluetooth and FM devices on internet , But we cannot find out about the base/treble qualities
Please advise me Mendis , Australia